Magnetic proximity switch is a general term for sensors that replace contact detection methods such as limit switches and aim to detect objects without contact. Can detect the movement and presence information of objects and convert them into electrical signals. The products that can also detect the proximity of objects and the presence or absence of nearby detection objects in a non-contact manner in sensors are collectively referred to as "proximity switches", which are composed of magnetic induction type, electrostatic capacitance type, ultrasonic type, photoelectric type, Hall type, etc. They are widely used in position alarm applications in the fields of automobiles, smart homes, safety protection, and industrial control.
High stability, high reliability, and high consistency
Multiple magnetic field sensitivity ranges, compatible with magnetic trigger
Good airtightness and long service life
Customizable shell color, outlet direction, wires, terminals, etc
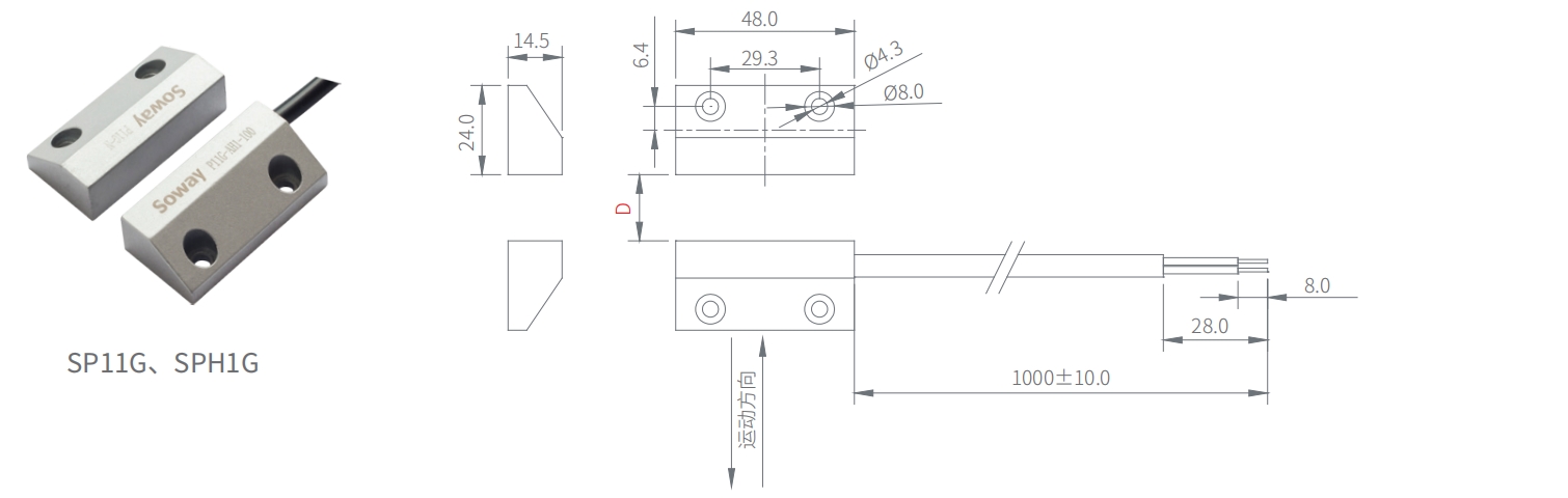
| Product series | SP11 series | SP12 series | SP13 series | PX113 | SP119 | SP1191 | SP11G | SP11H-1 | SP11T | ||
| Structural style | Independent, back magnetic | ||||||||||
| Drive target material | Magnet or ferromagnetic metal | ||||||||||
| Output contact form | Magnetic spring normally open type, magnetic spring single blade double throw | ||||||||||
| Maximum switching power | 10W | 70W | 5W | 100W | |||||||
| Maximum switch voltage(DC) | 200V | 200V | 175V | 500V | |||||||
| Maximum switch voltage(AC) | 100V | 250V | 125V | ||||||||
| Maximum switch current(DC) | 500mA | 1000mA | 400mA | DC3A(24V) | |||||||
| Maximum switch current(AC) | 500mA | 1000mA | 280mA | ||||||||
| Minimum breakdown voltage | 200V DC | 400V DC | 200V DC | 1000V DC | |||||||
| Maximum load current | 1. 0A | 1.75A | 0.5A | 4. 0A | |||||||
| Maximum contact impedance | 300mΩ | 300mΩ | 300mΩ | 1Ω | |||||||
| Minimum insulation impedance | 106 MΩ | 106 MΩ | 106 MΩ | 106 MΩ | |||||||
| Working temperature range | -20~80℃ | -20~80℃ | -20~80℃ | -20~80℃ | |||||||
| Service life | 106 times | 106 times | 106 times | 106 times | |||||||
| Product series | SPH1 series | SPH3 series | SPH19 | SPH1G | SPH318 |
| Structural style | Independence (full polarity, unipolar, latch type), back magnetic type | ||||
| Drive target material | Magnet or ferromagnetic metal | ||||
| Action distance | Determined by the materials and characteristics that drive the target | ||||
| Working voltage | 3V~26V | ||||
| Output signal | OC output | ||||
| Output signal | Two wire current output or three wire OC output (voltage output required to be specified) | ||||
| Output current(max) | 20mA | ||||
| Output breakdown voltage | 30V | ||||
| Protection Characteristics Note 3 | Power reverse protection, short circuit protection, overload protection | ||||
| Operating point(Max) | 150GS Note 4 | ||||
| Point of release(Min) | 10GS Note 4 | ||||
| Hysteresis window(Typ) | 10GS Note 4 | ||||
| Working frequency (max) | 10KHz | ||||
| Impact resistance | 500m/s (50G) 10 times in each of the X, Y, and Z directions | ||||
| Anti vibration | 10-55Hz (amplitude 1.5 mm), 2 hours each in the X, Y, and Z directions | ||||
| Protection grade | IP67 | ||||
| Working temperature range | -20~80℃ | -20~100℃ | -20~80℃ | ||
| Service life | 106 times | ||||













